
产品 · 参数
产品编号:BRHY05
吉彩网 产品名称:燃油导热油炉
吉彩网 规 格:常规
产品备注:可根据客户需求设计制作
吉彩网 产品类别:燃油导热油炉
产 品 说 明
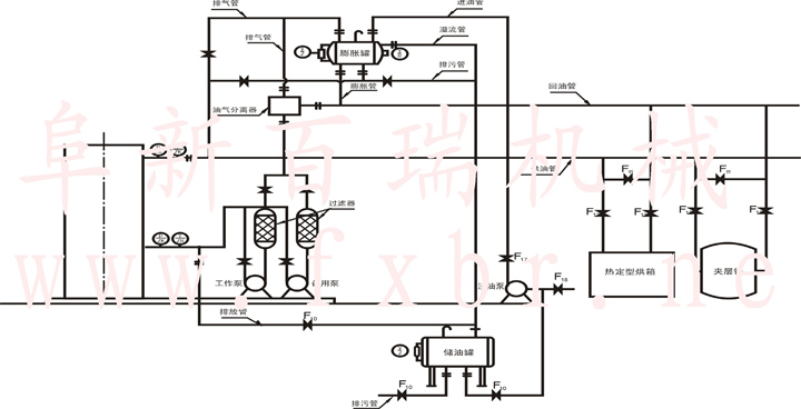
产品概述:
以烟煤、渣油、重油、轻油、可燃性气体等燃料为主热源,有机热载体(导热油)为传热介质,提供稳定的高温热源(≤350℃),热出力大,热效率高(70%-85%),具有完备的运行控制及安全监测装置。
产品特点:
吉彩网 有机热载体(导热油)炉以轻油、可燃性气体等燃料为主热源,有机热载体(导热油)为传热介质,通过高温油泵对载体进行强制液相循环,将热能输送给用热设备,继而返回炉内重新加热再循环的特种工业锅炉。
产品 · 特色
1.沟通咨询
2.提供选型
3.出具方案
4.生产制作
5.送货安装
6.售后服务
联系 · 方式
全国咨询热线:0418-2150188 0418-2150288
吉彩网 联系QQ:710375724
地址:辽宁省阜新市高新技术产业园区广元路
热门 · 产品